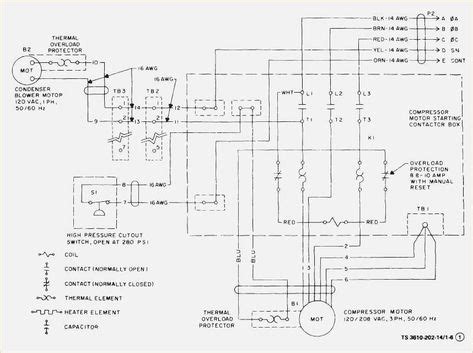
Central Air Wiring Schematic

Central Air Wiring Schematic. Web this page consists of information on the central air conditioner wiring diagram, tips, and frequently asked questions. The thermostat regulates the temperature inside your home by controlling.

Central Air Conditioning Wiring / Central Air Conditioner Installation
Central Air Conditioning Wiring / Central Air Conditioner Installation from schematicdiagram89.blogspot.com

Web here are some helpful tips for reading a wiring diagram for a 3 zone heating system: Hvac plans how to create a plan business replace contactor relay on an air conditioner or heat. Read the diagram from left to right and top to bottom.

Web With The Right Tools And Knowledge Of The Wiring Diagram, You Can Be Sure That Your Goodman Central Air Conditioner Will Be Up And Running In No Time.


We’ll jump right into showing you a schematic diagram for a simple air. Web check the plate with a level, and mark the screw holes with your pencil. I remember pulling panels off.

Read The Diagram From Left To Right And Top To Bottom.


Web here are some helpful tips for reading a wiring diagram for a 3 zone heating system: Web the wiring diagram for your central heating system will include a series of diagrams that display the connections between the various components. Hvac plans how to create a plan business replace contactor relay on an air conditioner or heat.

Web Wiring Diagram Of Central Ac.


The thermostat regulates the temperature inside your home by controlling. Pull the wires through the opening of the. Be sure to read the labels.

Web Air Conditioning Ac Contactor Control Board 1 This Diagram Is To Be Used As Reference For The Low Voltage Control Wiring Of Your Heating And Ac System.


March 29, 2022 by wiring digital. A schematic shows the plan and. Web learning to read wiring diagrams.

Web This Page Consists Of Information On The Central Air Conditioner Wiring Diagram, Tips, And Frequently Asked Questions.


Web schematic wiring diagram often called a ladder diagram and a pictorial diagram. Web we include immediate downloads of example installation & repair manuals and wiring diagrams for air conditioners, heat pumps, and heating equipment from a variety of. Web the most important component of any home air conditioning system is the thermostat.