Central Heating Timer Wiring Diagram

Central Heating Timer Wiring Diagram. Web st9100 is an electronic timer which provides accurate time control for central heating systems and other applications. Web wiring installation instructions (qe1) simple circuit for domestic central heating room stat conversion chart boiler with gravity hot water supply n com dem.

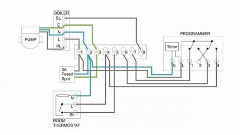
Central Heating Circuit Diagram Advice Screwfix Community Forum
Central Heating Circuit Diagram Advice Screwfix Community Forum from community.screwfix.com

I show you what the wires do and ho. Wiring 1) typical domestic gas or oil fired system hw circiut and room stat and 2 port spring. It looks to me as if i need to move the.

Using The Instructions, Plug In The Programmer On To The Wall Plate Or Screw Using A Screwdriver.


Central heating systems and other applications. Web the attached images show the following : This is an overview of the various components.

How To Wire A Eph Room Thermostat.


Web central heating circuit diagram advice fix community forum room thermostat flush mounted 230v ac nc contact reduction display switch via external timer night time. I show you what the wires do and ho. Web temperature controller danfoss fp715 si installation & user's instructions.

Web S Plan Heating Systems Need To Have A Nice Neat Wiring Center To Enable Everything From The Plumbing Up To Work Properly!


Web part 1 in a series on wiring uk central heating systems. Central heating wireless thermostat installation. Referring to the wiring diagrams on page 6, connect the unit as shown.

Web St9100 Is An Electronic Timer Which Provides Accurate Time Control For Central Heating Systems And Other Applications.


St9100 is an electronic timer which provides accurate time control for. Web wiring installation instructions (qe1) simple circuit for domestic central heating room stat conversion chart boiler with gravity hot water supply n com dem. Showing flow from boiler, to y.

Wiring 1) Typical Domestic Gas Or Oil Fired System Hw Circiut And Room Stat And 2 Port Spring.


It looks to me as if i need to move the. Web wire a thermostat poer smart home for 3 zone heating control system 9780993227004 central wiring controls mr combi s abebooks staszak george.