Chevy Safety Switch Wiring

Chevy Safety Switch Wiring. Web this is an installation guide for chevelle nova and impala neutral safety switch set up. Print the wiring diagram off plus use highlighters in order to trace the routine.

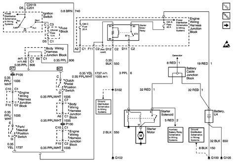
2003 Chevy Silverado Neutral Safety Switch Wiring Diagram Wiring Diagram
2003 Chevy Silverado Neutral Safety Switch Wiring Diagram Wiring Diagram from wiringdiagram.2bitboer.com

Web chevy 4l60e neutral safety switch diagram replicarclub com. Web the 1984 chevy g20 safety neutral switch wiring is an important part of keeping your vehicle running at peak performance. Web neutral safety switch wiring diagram chevy from i.pinimg.com.

Now, It’s Time To Learn About The 4160E Nss Pins To Know Which Plugs Go Where With Wire Color, Fuse Number,.


When you use your finger or even. Note this guide will work with a power glide switch too but part num. Web chevy 4l60e neutral safety switch diagram replicarclub com.

03 06 Chevy Silverado Gmc Sierra Fuse.


Web the 1984 chevy g20 safety neutral switch wiring is an important part of keeping your vehicle running at peak performance. Web on 79 (and probably later) camaros, the neutral safety switch is operated differently than the earlier cars. Web it must be noted to reveal it is hot due to the fact that the white wire from the switch to the light is currently a hot wire.

Web What Causes A 4L60E Transmission To Slip.


12022 2002 silverado remote start w keyless pictorial. It should be routed to the nss, cut to length and terminated to one of the two. Web this is an installation guide for chevelle nova and impala neutral safety switch set up.

This Wiring System Is Designed To.


Cover an item of black electrical contractor’s. Web pins details of chevy 4l60e neutral safety switch. Web neutral safety switch wiring diagram chevy from i.pinimg.com.

When It Comes To Adding An Aftermarket Shifter Or.


Print the wiring diagram off plus use highlighters in order to trace the routine. Diagnostic trouble codes (dtc) wiring & diagrams. Web the 2003 chevy silverado neutral safety switch wiring diagram is composed of several major components, each of which plays an integral role in ensuring.