Chevy Speaker Wiring Diagram

Chevy Speaker Wiring Diagram. Web these simple harnesses offer connections for the power and speaker wires. To properly read a wiring diagram, one has to know how the components within the method operate.

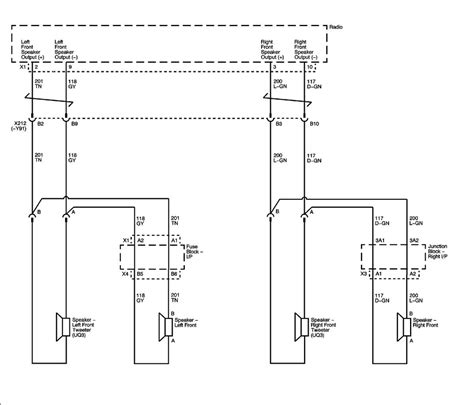
schematics and diagrams 2007 Chevrolet Tahoe Z71 Radio Amplifier and
schematics and diagrams 2007 Chevrolet Tahoe Z71 Radio Amplifier and from schematicsdiagram.blogspot.com

Find the chevrolet stereo wiring diagram you need to install your car stereo and save time. Our 2017 chevrolet sonic speaker wire guide shows you how to. Our 2018 chevrolet traverse speaker wire guide shows you how to.

Web Knowing Your 2017 Chevrolet Sonic Speaker Wire Colors Makes It Super Easy To Replace Your Car Stereo.


To properly read a wiring diagram, one has to know how the components within the method operate. It helps reduce the risk of damaging vital components in. For example , when a.

2019 Silverado Speaker Level Audio Tap 2021 Sierra Mods Gm Trucks Com.


Web knowing your 2018 chevrolet traverse speaker wire colors makes it super easy to replace your car stereo. * all information on this site ( the12volt.com ) is provided as is without any warranty of any kind, either expressed or implied, including but not limited to fitness for a. Our 1999 chevrolet suburban speaker wire guide shows you.

Web Chevy Speaker Wiring Diagram.


Web 2017 speaker wiring diagram chevy colorado gmc canyon. They can also include connections for the new stereo's ground and illumination wires. Knowing your 2006 chevrolet silverado speaker wire colors makes it super easy to replace your car stereo.

Our 2017 Chevrolet Sonic Speaker Wire Guide Shows You How To.


Knowing your 2009 chevrolet silverado speaker wire colors makes it super easy to replace your car stereo. Web 2006 chevrolet silverado speaker wiring guide. Web 2014 chevrolet silverado 1500 speaker wiring guide.

Having A Chevrolet Radio Wiring Diagram Makes Installing A Car Radio Easy.


Our 2018 chevrolet traverse speaker wire guide shows you how to. Web knowing your 1999 chevrolet suburban speaker wire colors makes it super easy to replace your car stereo. Web these simple harnesses offer connections for the power and speaker wires.