Chevy Trailblazer Wiring Schematic

Chevy Trailblazer Wiring Schematic. Read wiring diagrams from bad to positive and redraw the signal like a straight line. It shows you exactly how your system is wired up and helps you.

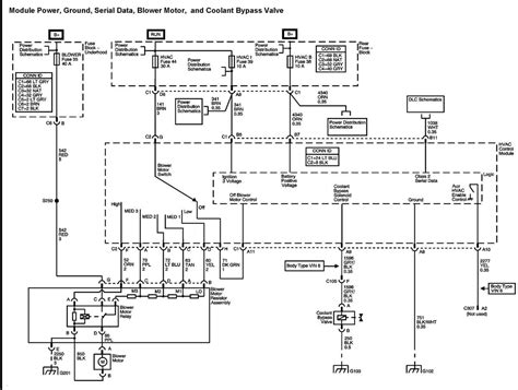
2004 Chevy Trailblazer Wiring Diagram For Wires From Center Console To
2004 Chevy Trailblazer Wiring Diagram For Wires From Center Console To from schematron.org

Web stereo wiring diagram needed trying to install replacement. I even jumpered the relay pins assuming a bad relay and. Web the wiring diagram for the trailblazer is made up of several parts, each playing an important role in getting the vehicle to start.

Web A Wiring Diagram Is A Visual Representation Of The Electrical Components And Wiring In Your Vehicle.


Web 6.0l vin h, engine performance wiring diagram (3 of 5) for chevrolet trailblazer 2008. Web stereo wiring diagram needed trying to install replacement. Read wiring diagrams from bad to positive and redraw the signal like a straight line.

Web 4.2L Vin S, Engine Performance Wiring Diagrams (3 Of 5) For Chevrolet Trailblazer 2002.


Web 2003 chevy trailblazer wiring diagram source: Web 4.2l vin s, engine performance wiring diagram (3 of 5) for chevrolet trailblazer 2005. The starter relay connects the.

I Had A No Crank/No Start Issue Recently.


Web chevrolet trailblazer all factory original manuals. Find out how to access autozone's electrical wiring schematic repair guide for kia sephia, rio,. Factory stereo wiring diagram chevy trailblazer ss and gmc envoy forum.

Web The Wiring Diagram For The Trailblazer Is Made Up Of Several Parts, Each Playing An Important Role In Getting The Vehicle To Start.


· #5 · jun 18, 2020. Web when it comes to wiring a new device into the ignition wiring diagram 04 chevy trailblazer, it is important to understand the wiring system and how it functions. Web explore chevy vehicle's owner manuals and guides to help guide you with understanding your chevy vehicle.

I Even Jumpered The Relay Pins Assuming A Bad Relay And.


I swapped the relays to no avail. View our selection of factory original service repair manuals, parts catalogs, owner’s manuals and wiring diagrams for. All circuits are the same ~.